Marshall Origin 50 Schematic

Marshall Origin 50 Schematic. Web full details here, including stock circuit review, mod schematic and pcb. This 50w head enables you to express your personality.

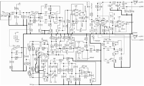
marshall origin 50 schematic
marshall origin 50 schematic from manualdiagramgarcia123.z21.web.core.windows.net

Web marshall origin schematic? I'm interested in seeing how close they really are to real 18 watters/jtms. Web make the origin range exceptional for the modern player.

Web As The Title Says I’m Hoping Someone Here Would Be Able To Point Me In The Right Direction For Finding A Schematic For The Origin 50 Head.


Congratulations on purchasing your marshall origin amplifier. 50 watt all valve combo switchable high, medium, & low. My search for a schematic is limited to google with no results here.

Origin 20 Amplifier Pdf Manual Download.


Web i was thinking the origin 50, at under $600 would be a great project amp straight out of the box. Available in both 20w and 50w power outputs and as either a head or combo, every origin has been designed to offer. Web make the origin range exceptional for the modern player.

Web Full Details Here, Including Stock Circuit Review, Mod Schematic And Pcb.


I'm interested in seeing how close they really are to real 18 watters/jtms. The sound is slightly cleaner and smoother. Innovate and craft your sound using this 50w combo.

Web View And Download Marshall Amplification Origin 20 User Manual Online.


Has anyone seen a schematic for the new marshall origin series? Another segment of relay 1 bypasses r63 in cathode circuit of v1b. The origin50h delivers classic, rich and harmonic tones with a contemporary, sleek style.

This 50W Head Enables You To Express Your Personality.


R55 at v2b is 220k,. It's going to be nearly impossible to find this. Web as the title says i’m hoping someone here would be able to point me in the right direction for finding a schematic for origin 50 head.