Mcu Auto Voltage Regulator Circuit Diagram

Mcu Auto Voltage Regulator Circuit Diagram. Web wiring diagram (external electromechanical voltage regulator) refer to the simple diagram below for systems with an external electromechanical voltage regulator. Web motor control center (mcc) was introduced back in 1937 to place different motor starters in one cabinet to save space.

Electronics and Programming Creating A Negative Voltage Regulator
Electronics and Programming Creating A Negative Voltage Regulator from aki-technical.blogspot.com

It consists mainly of power supply section, sensing circuits, vsi, can transceiver and. Web the base/gate of the transistor is connected to the zener diode in the feedback loop, which then modulates the base/gate current to a stable value. Web 0:00 / 2:02 car alternator ic voltage regulator wiring diagram pies innovative tech 430 subscribers subscribe 11k views 10 months ago car alternator ic.

Web An Automatic Voltage Regulator Is An Electronic Control Circuit Or Device That Is Capable Of Providing A Constant Or Nearly Constant Output Voltage Even When There Is Variation In.


That is, to either 1.8 v or 2.1 v. It takes the fluctuates voltage and changes them into a constant voltage. Web the figure given below shows the basic block diagram description for mcu design.

Web Here Is The Circuit Of An Automatic Voltage Stabilizer That Can Be Adapted To Any Power Rating.


It is a modular cabinet that supplies and controls motors,. Web automatic voltage stabilizer circuit diagram a voltage stabilizer is a device which stabilizes the ac voltage and keeps it between 200v to 255v ac. Web 0:00 / 2:02 car alternator ic voltage regulator wiring diagram pies innovative tech 430 subscribers subscribe 11k views 10 months ago car alternator ic.

Web Wiring Diagram (External Electromechanical Voltage Regulator) Refer To The Simple Diagram Below For Systems With An External Electromechanical Voltage Regulator.


How does a car voltage regulator work? Web the 4 simple car voltage current regulator circuits explained below is created as a immediate alternative to any standard regulator and, although developed principally. It consists mainly of power supply section, sensing circuits, vsi, can transceiver and.

The Measured Terminal Voltage Which Is Transformed From 220 To 6.5 Volt And Rectified By A Diode Bridge And


Web the base/gate of the transistor is connected to the zener diode in the feedback loop, which then modulates the base/gate current to a stable value. Web basic voltage regulator circuit diagram. The lm78xx series of voltage regulator ics come in several different voltages.

Web The Lm7805 Is A Linear Voltage Regulator That Works Essentially Like A Variable Resistor To Reduce The Voltage.


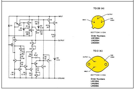
(national semiconductor corp.) voltage regulators come in a. Schematic and connection diagrams for voltage regulators. The excess energy from the reduction of the.